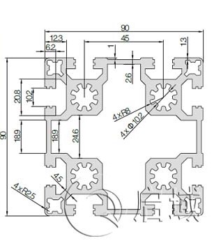
909091免费香蕉污视频也就是體現截麵尺寸,選擇這款型材來做框架,從截麵圖紙上麵91免费香蕉污视频能找到很多需要的數據參數,這些參數意味著能計算出用它來定製框架能否達到我所要的承重,這款909091免费香蕉污视频在市麵上常規規格不多,下麵通過這兩張三維圖紙91免费香蕉污视频來了解一下具體參數,看圖紙上麵體現哪些數據。
以上是對909091免费香蕉污视频截麵參數做了簡單介紹,上海香蕉视频色版APP10餘年廠家型材及配件規格齊全,每款產品樣冊上麵選型參考數據,可以致電廠家,可提供樣品和樣冊的郵寄。
以上是對909091免费香蕉污视频截麵參數做了簡單介紹,上海香蕉视频色版APP10餘年廠家型材及配件規格齊全,每款產品樣冊上麵選型參考數據,可以致電廠家,可提供樣品和樣冊的郵寄。




滬公網安備31011702001213號
掃一掃,關注手機站