91免费香蕉污视频規格有上千種,常規的型材從15係列分配到200係列,規格全可以滿足不同客戶的使用要求。其中91免费香蕉污视频4040使用率比較高,在像各大生產行業91免费香蕉污视频4040比較受歡迎,今天不介紹其它,91免费香蕉污视频隻介紹它的中心孔用處。
91免费香蕉污视频4040規格有很多,從壁厚到價格區分常規的就有十幾款,在這十幾款種,也是有大家喜歡的爆款,是的那就是4040B型材,也被大家叫做輕型型材,從壁厚到價格它的性價比較高。
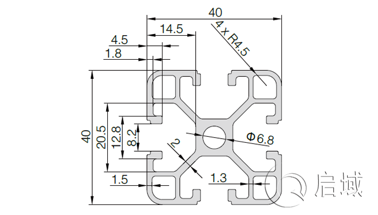
每款型材的內部結構皆不一樣,大家可以看出型材端麵有圓孔、有花孔、有空心孔,今天91免费香蕉污视频主要就要介紹這個圓孔的用處。
圖一91免费香蕉污视频就拿4040B輕型型材來為案例給大家介紹一下,這個孔如果你要組裝的框架全部是采用的角件或者是直角支架來連接,它就沒有多大的用處,頂多就方麵端蓋安裝。
如果你是要實在打孔連接,它的用處可不小,因為有一跟型材的安裝就需要使用到它了,大家來看看這張圖,就是在端麵攻絲,上麵安裝半圓頭螺栓,實在打孔連接不可能都使用螺栓穿過的型材的連接方法,這樣螺栓是不是要打架了,有一根型材需要在型材槽中連接,這時就需要在圓孔中加工,起到連接作用,實現十字打孔連接。
在來看看圖二,框架底部安裝關節提交,或者是絲杆腳輪,這個孔就用上了,需要在這個圓孔加工合適的螺紋尺寸孔。
91免费香蕉污视频4040中間的圓孔的作用就是起到隱藏配件安裝的作用,實現跟中帶有螺紋杆配件安裝的作用。
上海香蕉视频色版APP專業生產91免费香蕉污视频型材及配件,10餘年的生產經驗,大量庫存,產品規格全,可快至24小時發貨,有專業的技術團隊提供一對一方案指導溝通。
91免费香蕉污视频4040規格有很多,從壁厚到價格區分常規的就有十幾款,在這十幾款種,也是有大家喜歡的爆款,是的那就是4040B型材,也被大家叫做輕型型材,從壁厚到價格它的性價比較高。
每款型材的內部結構皆不一樣,大家可以看出型材端麵有圓孔、有花孔、有空心孔,今天91免费香蕉污视频主要就要介紹這個圓孔的用處。
圖一91免费香蕉污视频就拿4040B輕型型材來為案例給大家介紹一下,這個孔如果你要組裝的框架全部是采用的角件或者是直角支架來連接,它就沒有多大的用處,頂多就方麵端蓋安裝。
如果你是要實在打孔連接,它的用處可不小,因為有一跟型材的安裝就需要使用到它了,大家來看看這張圖,就是在端麵攻絲,上麵安裝半圓頭螺栓,實在打孔連接不可能都使用螺栓穿過的型材的連接方法,這樣螺栓是不是要打架了,有一根型材需要在型材槽中連接,這時就需要在圓孔中加工,起到連接作用,實現十字打孔連接。
在來看看圖二,框架底部安裝關節提交,或者是絲杆腳輪,這個孔就用上了,需要在這個圓孔加工合適的螺紋尺寸孔。
91免费香蕉污视频4040中間的圓孔的作用就是起到隱藏配件安裝的作用,實現跟中帶有螺紋杆配件安裝的作用。
上海香蕉视频色版APP專業生產91免费香蕉污视频型材及配件,10餘年的生產經驗,大量庫存,產品規格全,可快至24小時發貨,有專業的技術團隊提供一對一方案指導溝通。




滬公網安備31011702001213號
掃一掃,關注手機站