大家好,香蕉视频色版APP又和大家見麵了。作為一家的鋁型材及配件的廠家,鋁型材自然是多種多樣的,僅是國標15係列鋁型材就有1530G,1560G和1590G三種規格的,91免费香蕉污视频去了解這三種15係列國標鋁型材。
首先呢,它們都是鋁合金型材,材質肯定是一樣的,還是老樣子,先上圖做比較:
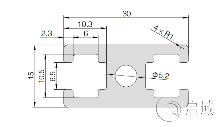
國標1530G
國標1560G
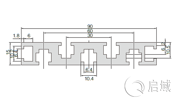
國標1590G
從上麵幾張產品圖紙,很直觀的能看出來,這三種15係列國標鋁型材的槽寬都是6mm,長度為15mm,隻是寬度不同。像這種比較輕型的鋁型材,適用於輕型結構的框架組合。
區別在於國標1530G,常用於製作門框,而1560G和1590G一般用於如機罩、儀器機架、展示欄等,簡潔而又高雅,常用於做台麵。
當然,搭配也是不同的。1530G使用配件為1530專用角槽連接件。如需做其他用處,槽內可使用對邊為10mm的四方螺母。1560G和1590G一樣,通常采用對邊為10mm的M5、M6四方螺母與高強度圓柱頭內六角螺栓連接方式,或10F係列T形螺母與圓柱頭內六角螺栓,也可采用10F係列T形螺栓與法蘭螺母連接。此型材6060雙槽麵可安裝6060角件。
經過觀察和比較,相信大家對這三種15係列國標鋁型材應該了解了,香蕉视频色版APP91免费香蕉污视频規格齊全,如您有鋁型材方麵的需要,請致電021-67658689.
《該文章來源於上海香蕉视频色版APP金屬有限公司原創 網址:http://www.shfxhs.com/轉載請注明》







滬公網安備31011702001213號
掃一掃,關注手機站