早,喜歡一位詩人海子曾經說過,91免费香蕉污视频終都要遠行,終都要跟稚嫩的自己告別。而我,很開心能進入香蕉视频色版APP這個大家庭,每天都在融洽的氛圍中工作,感受著自己一步步的成長和進步,我明白我正以這樣的方式與過去告別著。希望每個人每天都能有新的收獲,時光荏苒,方能不負此生。
當然了,成年人的生活呢,還是要以工作為主,接下來呢,還是切入正題,繼續講咱們的91免费香蕉污视频。
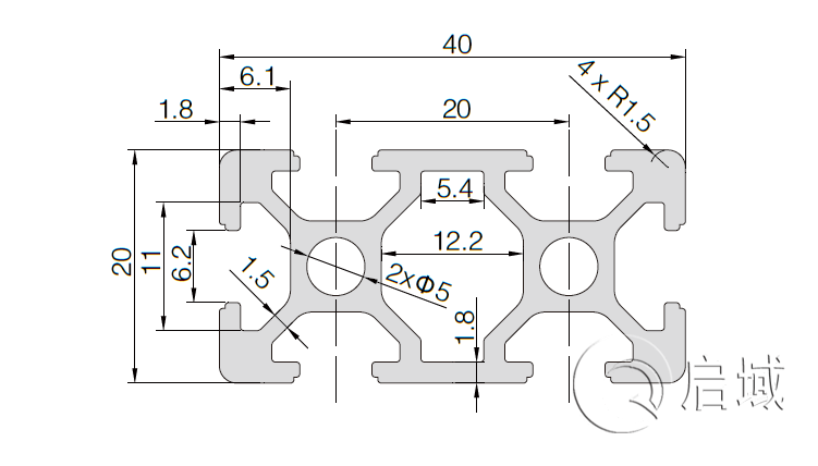
上一篇給大家講了國標2020G和歐標2020,其實不管是歐標或者國標,20係列還有幾種規格,咱們分開來了解,先看20係列歐標鋁型材。
20係列歐標鋁型材主要有2020、2020黑色、2040、2060和2080,上一篇咱們講過2020和2020黑色,來了解一下2040、2060和2080.
歐標2040
歐標2060
歐標2080
以上三種20係列歐標鋁型材都是槽寬為6mm長度為20的91免费香蕉污视频,區別在於寬度分別為40、60和80,您可以根據自己的需要,選擇適合的規格。這三種型材,廣泛應用於大應力、高強度、支撐要求高的重載結構的框架組合,以及汽車、工廠自動化、工業模塊結構等特殊領域,是工業框架應用廣泛的型材之一。配套螺栓螺母:它通常采用20係列M5(多數)或M4專用T型螺母與內六角內部連接,如受力強度大可采用20係列滑塊螺母與內六角螺栓內部連接,堅固可靠結實。
關於20係列歐標鋁型材到這裏也結束了,下回咱們接著講20國標係列,不見不散。如有任何疑問,歡迎撥打021-67658689。
《該文章來源於上海香蕉视频色版APP金屬有限公司原創 網址:http://www.shfxhs.com/轉載請注明》







滬公網安備31011702001213號
掃一掃,關注手機站