黑色鋁型材並不是非常常見,但是也不是沒有,香蕉视频色版APP金屬有好幾款黑色鋁型材,之前講過3030黑色鋁型材,今天91免费香蕉污视频就來說一說這3060黑色鋁型材。
鋁型材 QY-8-3060黑色
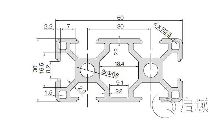
材料:鋁合金Material Aluminum(6063-T5)
單位質量Weight:1.83kg/m
長度Length:6.01m
集合慣性 Mass of lnertia:lx:19.80 cm4 ly:5.15 cm4
截麵慣性 Section modulus:Zx:6.60 cm3 Zy:3.30 cm3
用途:廣泛應用於大應力、高強度、支撐要求高的重載結構的框架組合,以及汽車、工廠自動化、工業模塊結構等特殊領域,是工業框架應用廣泛的型材之一。它通常采用30係列M6T型螺栓與M6法蘭螺母或M6、M5、M4專用T型螺母與內六角螺栓內部連接,如受力強度大可采用30係列滑塊螺母與內六角螺栓配套使用,堅固可靠結實。
3060黑色鋁型材與3060鋁型材沒有什麽不同,就是顏色不一樣而已,其他都是一樣用的,香蕉视频色版APP金屬廠家直銷3060黑色鋁型材,也可以定製其他規格的黑色鋁型材, 有需要可以致電谘詢:021-67658689,91免费香蕉污视频下期見!
《該文章來源於上海香蕉视频色版APP金屬有限公司原創 網址:http://www.shfxhs.com/轉載請注明》




滬公網安備31011702001213號
掃一掃,關注手機站