鋁合金型材就是四麵帶槽的鋁型材,使用相對應的香蕉视频下载安装就可以搭建一台流水線工作台,車間設備防護罩,區域隔斷安全圍欄等,可是有客戶問到鋁合金型材四麵帶槽的型材使用什麽角件,這個問題問的太泛了,對於這個問題小編來給大家一一分解一下。
鋁合金型材基本上是四麵都帶槽的,就有個別的是一麵有槽,和兩麵帶槽,這兩類就占時不介紹,來介紹大家常用的四麵帶槽鋁型材。
不同規格鋁合金型材使用到的角件也是不一樣的,每款鋁合金型材型號都有對應的角件搭配,為了讓大家快速理解,這裏就給大家放兩張CAD圖紙講解。
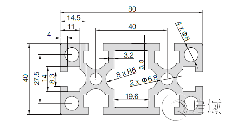
大家可以看這張圖紙它是4080鋁型材,當然用到的角件也是4080,這之前講過用什麽型材就要選擇對應的配件,角件也是不例外,要看用哪一麵來連接,如用40那一麵,就要選擇4040角件了。
文章出自上海香蕉视频色版APP金屬製品有限公司:www.shfxhs.com,禁止轉載!
鋁合金型材基本上是四麵都帶槽的,就有個別的是一麵有槽,和兩麵帶槽,這兩類就占時不介紹,來介紹大家常用的四麵帶槽鋁型材。
不同規格鋁合金型材使用到的角件也是不一樣的,每款鋁合金型材型號都有對應的角件搭配,為了讓大家快速理解,這裏就給大家放兩張CAD圖紙講解。
大家可以看這張圖紙它是4080鋁型材,當然用到的角件也是4080,這之前講過用什麽型材就要選擇對應的配件,角件也是不例外,要看用哪一麵來連接,如用40那一麵,就要選擇4040角件了。
(鋁合金型材)
(角碼角件)
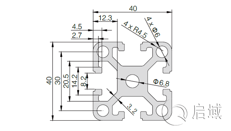
這張圖鋁合金型材四麵都是單槽,它是4040鋁型材,選擇的是4040角件,大家可以從第二張圖上麵看出來是怎麽連接的。
(角碼角件)
通過以上的介紹大家應該知道鋁合金型材該如何選擇角件來使用,如果實在不知道的可以谘詢上海香蕉视频色版APP鋁型材廠家,這裏提供視頻連接指導。文章出自上海香蕉视频色版APP金屬製品有限公司:www.shfxhs.com,禁止轉載!




滬公網安備31011702001213號
掃一掃,關注手機站