跟此產品相關的產品 / Related Products

- QY-內置連接件
- 貨號:QY-內置連接件
材料:碳鋼
規格:30 40 45
用途:當型材十字連接時或直角連接時均可選用該連接件

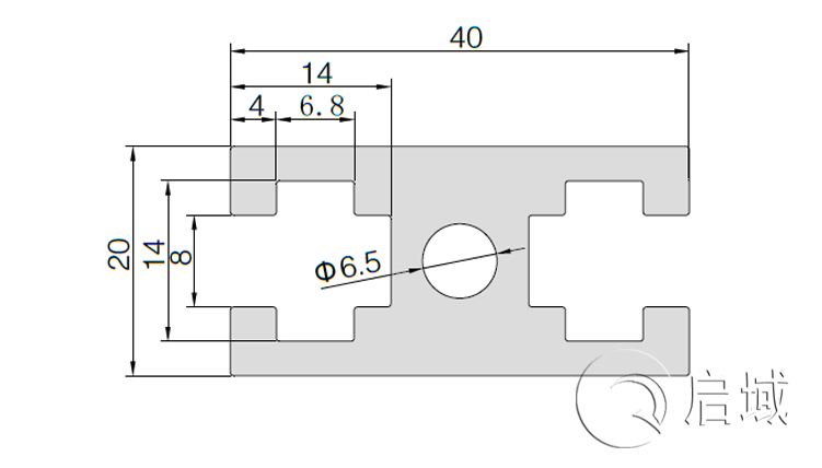
- 鋁型材 QY-8-4040GA
- 材料:鋁合金
Material Aluminum(6063-T5)
單位質量:1.48kg/m
長度:6.01m
集合慣性:1x:9.25 cm4 1y:9.25cm4
截麵慣性:Zx:4.86cm3 Zy:4.86cm3

- 鋁型材 QY-8-1640
- 材料:鋁合金
Material Aluminum(6063-T5)
單位質量:1.38kg/m
長度:6.01m
集合慣性:1x:7.26 cm4 1y:1.13cm4
截麵慣性:Zx:3.62cm3 Zy:1.42cm3
聯係香蕉视频色版APP
服務熱線400-096-5058
- 手機:13816329895
- 傳真:021-67658536
- 郵箱:info@shfxhs.com
- 地址:上海市鬆江區車墩工業區泖亭路1056號









滬公網安備31011702001213號
掃一掃,關注手機站