在線留言 網站地圖 聯係香蕉视频色版APP
猜您想找 :鋁型材加工 91免费香蕉污视频 異型材定製 鋁型材框架
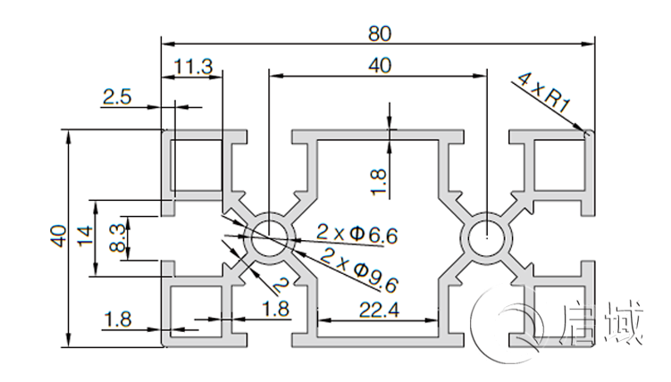
材料:鋁合金 Material Aluminum(6063-T5) 單位質量Weight:2.62kg/m 長度Length:6.01m 集合慣性 Mass of lnertia: lx:48.6 cm4 ly:20.2 cm4 截麵慣性 Section modulus: Zx:14.6 cm3 Zy:7.3 cm3
上海香蕉视频色版APP金屬製品有限公司
谘詢熱線:400-096-5058
021-67658689轉8003
傳真:021-67658536
郵箱:info@shfxhs.com
地址:上海市鬆江區車墩工業區泖亭路1056號
關於香蕉视频色版APP / 91免费香蕉污视频 / 定製流程 / 客戶評價 / 招賢納士 / 在線留言 / 網站地圖
上海香蕉视频色版APP金屬製品有限公司 滬ICP備44449117號-4 聯係電話:4000965058021-67658689 電子郵箱:info@shfxhs.com 公司地址:上海市鬆江區車墩工業區泖亭路1056號滬公網安備31011702001213號
(請填寫正確的信息,以便為您及時提供免費樣品領取服務)