• 91免费香蕉污视频,香蕉视频下载安装,香蕉视频色版APP,色色香蕉软件下载

    全國站[切換城市]
    香蕉视频色版APP91免费香蕉污视频配件_框架、自動化流水線、車間工作台、設備機罩防護圍欄加工定製廠家

    在線留言 網站地圖 聯係香蕉视频色版APP

    香蕉视频色版APP

    91免费香蕉污视频專業廠家
    4000965058

    猜您想找 :鋁型材加工 91免费香蕉污视频 異型材定製 鋁型材框架

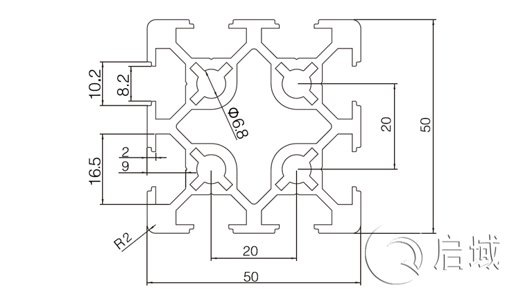
      鋁型材 QY-8-5050S

      材料:鋁合金
      Material Aluminum(6063-T5)
      單位質量Weight:2.59kg/m
      長度Length:6.01m
      集合慣性 Mass of lnertia:
      lx:11.33cm4 ly:11.33cm4
      截麵慣性 Section modulus:
      Zx:4.50cm3 Zy:4.50cm3

      全國服務熱線:400-096-5058
      立即谘詢

      產品圖紙

      5050S鋁型材圖紙

      產品細節91免费香蕉污视频5050S細節圖加工服務加工服務切割服務切割服務


      聯係香蕉视频色版APP

      上海香蕉视频色版APP金屬製品有限公司

      谘詢熱線:400-096-5058

      021-67658689轉8003

      手機:13816329895

      傳真:021-67658536

      郵箱:info@shfxhs.com

      地址:上海市鬆江區車墩工業區泖亭路1056號

      百度地圖API自定義地圖

      采購:鋁型材 QY-8-5050S

      • *聯係人:
      • *手機:
      • 公司名稱:
      • 郵箱:
      • *采購意向:
      • *驗證碼:驗證碼

      跟此產品相關的產品 / Related Products

      聯係香蕉视频色版APP

      服務熱線400-096-5058
      • 手機:13816329895
      • 傳真:021-67658536
      • 郵箱:info@shfxhs.com
      • 地址:上海市鬆江區車墩工業區泖亭路1056號

      網站地圖